Car Air Conditioner Compressor Cycles On And Off . Your ac compressor cycling on and off simply indicates that the ac unit is working fine to cool your car’s temperature. When your car ac compressor cycles on and off, it’s trying to tell you something. What to do when the ac compressor in car turns on and off frequently. Today, we’re going to explore the world of air conditioning compressors in cars and the mysterious phenomenon of cycling while. When you notice erratic cycling, initial troubleshooting might provide a.
from www.2carpros.com
Your ac compressor cycling on and off simply indicates that the ac unit is working fine to cool your car’s temperature. What to do when the ac compressor in car turns on and off frequently. When your car ac compressor cycles on and off, it’s trying to tell you something. Today, we’re going to explore the world of air conditioning compressors in cars and the mysterious phenomenon of cycling while. When you notice erratic cycling, initial troubleshooting might provide a.
A/C Compressor Cycles on and Off While Driving?
Car Air Conditioner Compressor Cycles On And Off Your ac compressor cycling on and off simply indicates that the ac unit is working fine to cool your car’s temperature. When you notice erratic cycling, initial troubleshooting might provide a. Your ac compressor cycling on and off simply indicates that the ac unit is working fine to cool your car’s temperature. When your car ac compressor cycles on and off, it’s trying to tell you something. What to do when the ac compressor in car turns on and off frequently. Today, we’re going to explore the world of air conditioning compressors in cars and the mysterious phenomenon of cycling while.
From f15.beauty
How Air Conditioning Works Diagram Car Air Conditioner Compressor Cycles On And Off When you notice erratic cycling, initial troubleshooting might provide a. Your ac compressor cycling on and off simply indicates that the ac unit is working fine to cool your car’s temperature. When your car ac compressor cycles on and off, it’s trying to tell you something. What to do when the ac compressor in car turns on and off frequently.. Car Air Conditioner Compressor Cycles On And Off.
From circuitwiringgear.z21.web.core.windows.net
Auto Ac Compressor Wiring Diagram Car Air Conditioner Compressor Cycles On And Off When your car ac compressor cycles on and off, it’s trying to tell you something. When you notice erratic cycling, initial troubleshooting might provide a. Today, we’re going to explore the world of air conditioning compressors in cars and the mysterious phenomenon of cycling while. Your ac compressor cycling on and off simply indicates that the ac unit is working. Car Air Conditioner Compressor Cycles On And Off.
From www.youtube.com
How does car air conditioning compressor work YouTube Car Air Conditioner Compressor Cycles On And Off Your ac compressor cycling on and off simply indicates that the ac unit is working fine to cool your car’s temperature. What to do when the ac compressor in car turns on and off frequently. When you notice erratic cycling, initial troubleshooting might provide a. When your car ac compressor cycles on and off, it’s trying to tell you something.. Car Air Conditioner Compressor Cycles On And Off.
From www.vivaitorre.com
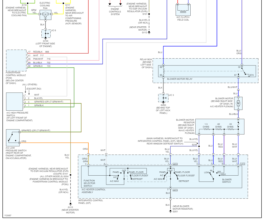
2012 ford escape ac low pressure switch location Car Air Conditioner Compressor Cycles On And Off Today, we’re going to explore the world of air conditioning compressors in cars and the mysterious phenomenon of cycling while. What to do when the ac compressor in car turns on and off frequently. When you notice erratic cycling, initial troubleshooting might provide a. Your ac compressor cycling on and off simply indicates that the ac unit is working fine. Car Air Conditioner Compressor Cycles On And Off.
From www.ebay.com.au
12V Electric Air Conditioning DC Compressor Kit For Car Truck 18CC Car Air Conditioner Compressor Cycles On And Off Today, we’re going to explore the world of air conditioning compressors in cars and the mysterious phenomenon of cycling while. What to do when the ac compressor in car turns on and off frequently. Your ac compressor cycling on and off simply indicates that the ac unit is working fine to cool your car’s temperature. When your car ac compressor. Car Air Conditioner Compressor Cycles On And Off.
From tanekaholbrook.blogspot.com
car air conditioner compressor makes loud noise when starting Taneka Car Air Conditioner Compressor Cycles On And Off What to do when the ac compressor in car turns on and off frequently. Today, we’re going to explore the world of air conditioning compressors in cars and the mysterious phenomenon of cycling while. When you notice erratic cycling, initial troubleshooting might provide a. Your ac compressor cycling on and off simply indicates that the ac unit is working fine. Car Air Conditioner Compressor Cycles On And Off.
From www.youtube.com
AC works but dosent make cold What to check if ac compressor comes Car Air Conditioner Compressor Cycles On And Off What to do when the ac compressor in car turns on and off frequently. When your car ac compressor cycles on and off, it’s trying to tell you something. Your ac compressor cycling on and off simply indicates that the ac unit is working fine to cool your car’s temperature. When you notice erratic cycling, initial troubleshooting might provide a.. Car Air Conditioner Compressor Cycles On And Off.
From tamrtala.blogspot.com
Cost To Replace Car Air Conditioner Compressor Car Ac R134a Oem Car Air Conditioner Compressor Cycles On And Off What to do when the ac compressor in car turns on and off frequently. Today, we’re going to explore the world of air conditioning compressors in cars and the mysterious phenomenon of cycling while. When your car ac compressor cycles on and off, it’s trying to tell you something. Your ac compressor cycling on and off simply indicates that the. Car Air Conditioner Compressor Cycles On And Off.
From upa-upacavalinho.blogspot.com
Parts Of A Car Air Conditioner System A Complete Guide To The Car Car Air Conditioner Compressor Cycles On And Off What to do when the ac compressor in car turns on and off frequently. When you notice erratic cycling, initial troubleshooting might provide a. Your ac compressor cycling on and off simply indicates that the ac unit is working fine to cool your car’s temperature. When your car ac compressor cycles on and off, it’s trying to tell you something.. Car Air Conditioner Compressor Cycles On And Off.
From fixrepairjoan123.z21.web.core.windows.net
Chevy Silverado Ac Compressor Short Cycling Car Air Conditioner Compressor Cycles On And Off Your ac compressor cycling on and off simply indicates that the ac unit is working fine to cool your car’s temperature. When you notice erratic cycling, initial troubleshooting might provide a. What to do when the ac compressor in car turns on and off frequently. When your car ac compressor cycles on and off, it’s trying to tell you something.. Car Air Conditioner Compressor Cycles On And Off.
From schematiccotillion.z14.web.core.windows.net
Ac Unit Diagram And Function Car Air Conditioner Compressor Cycles On And Off When your car ac compressor cycles on and off, it’s trying to tell you something. What to do when the ac compressor in car turns on and off frequently. When you notice erratic cycling, initial troubleshooting might provide a. Today, we’re going to explore the world of air conditioning compressors in cars and the mysterious phenomenon of cycling while. Your. Car Air Conditioner Compressor Cycles On And Off.
From smartacfix.com
Ac Compressor Cycles On And Off Every Few Seconds Troubleshooting Tips Car Air Conditioner Compressor Cycles On And Off Your ac compressor cycling on and off simply indicates that the ac unit is working fine to cool your car’s temperature. When you notice erratic cycling, initial troubleshooting might provide a. Today, we’re going to explore the world of air conditioning compressors in cars and the mysterious phenomenon of cycling while. When your car ac compressor cycles on and off,. Car Air Conditioner Compressor Cycles On And Off.
From www.mech4study.com
Car Air Conditioning System Principle and Working Mech4study Car Air Conditioner Compressor Cycles On And Off When you notice erratic cycling, initial troubleshooting might provide a. When your car ac compressor cycles on and off, it’s trying to tell you something. Today, we’re going to explore the world of air conditioning compressors in cars and the mysterious phenomenon of cycling while. What to do when the ac compressor in car turns on and off frequently. Your. Car Air Conditioner Compressor Cycles On And Off.
From valeo.prowly.com
How does the car air conditioning cycle look like? Car Air Conditioner Compressor Cycles On And Off Your ac compressor cycling on and off simply indicates that the ac unit is working fine to cool your car’s temperature. Today, we’re going to explore the world of air conditioning compressors in cars and the mysterious phenomenon of cycling while. When you notice erratic cycling, initial troubleshooting might provide a. What to do when the ac compressor in car. Car Air Conditioner Compressor Cycles On And Off.
From smartacsolutions.com
AC Compressor Cycling On And Off? Learn The Solution! Car Air Conditioner Compressor Cycles On And Off Your ac compressor cycling on and off simply indicates that the ac unit is working fine to cool your car’s temperature. Today, we’re going to explore the world of air conditioning compressors in cars and the mysterious phenomenon of cycling while. When your car ac compressor cycles on and off, it’s trying to tell you something. When you notice erratic. Car Air Conditioner Compressor Cycles On And Off.
From www.saffronautos.co.uk
Car Air Conditioning Saffron Autos Car Air Conditioner Compressor Cycles On And Off When you notice erratic cycling, initial troubleshooting might provide a. What to do when the ac compressor in car turns on and off frequently. Today, we’re going to explore the world of air conditioning compressors in cars and the mysterious phenomenon of cycling while. Your ac compressor cycling on and off simply indicates that the ac unit is working fine. Car Air Conditioner Compressor Cycles On And Off.
From carsupercare.com
AC Compressor Cycles On And Off Every Few Seconds Car Super Care Car Air Conditioner Compressor Cycles On And Off Today, we’re going to explore the world of air conditioning compressors in cars and the mysterious phenomenon of cycling while. When you notice erratic cycling, initial troubleshooting might provide a. Your ac compressor cycling on and off simply indicates that the ac unit is working fine to cool your car’s temperature. What to do when the ac compressor in car. Car Air Conditioner Compressor Cycles On And Off.
From eastmanateebulldogs.blogspot.com
air compressor working cycle Pretty Amazing Chatroom Navigateur Car Air Conditioner Compressor Cycles On And Off Today, we’re going to explore the world of air conditioning compressors in cars and the mysterious phenomenon of cycling while. When you notice erratic cycling, initial troubleshooting might provide a. What to do when the ac compressor in car turns on and off frequently. Your ac compressor cycling on and off simply indicates that the ac unit is working fine. Car Air Conditioner Compressor Cycles On And Off.